Hallicrafters SX-25 Restoration

SX-25 Photos As Received


The Front panel, aside from a few blemishes is in Very Good Condition.
The chips on the Main Tunung bezel are easily fixed.
The camera flash makes the meter and the tuning bezels look worse than they are.









The 80 Rectifier tube was boxed separately.




Home Made Bottom Cover. Kind of Ugly and missing some ventilation.
It probably will work, however I may do something different.


The underside is very clean and original caps. This radio appears for the most part to be unmolested.


Those paper caps look a little "runny."







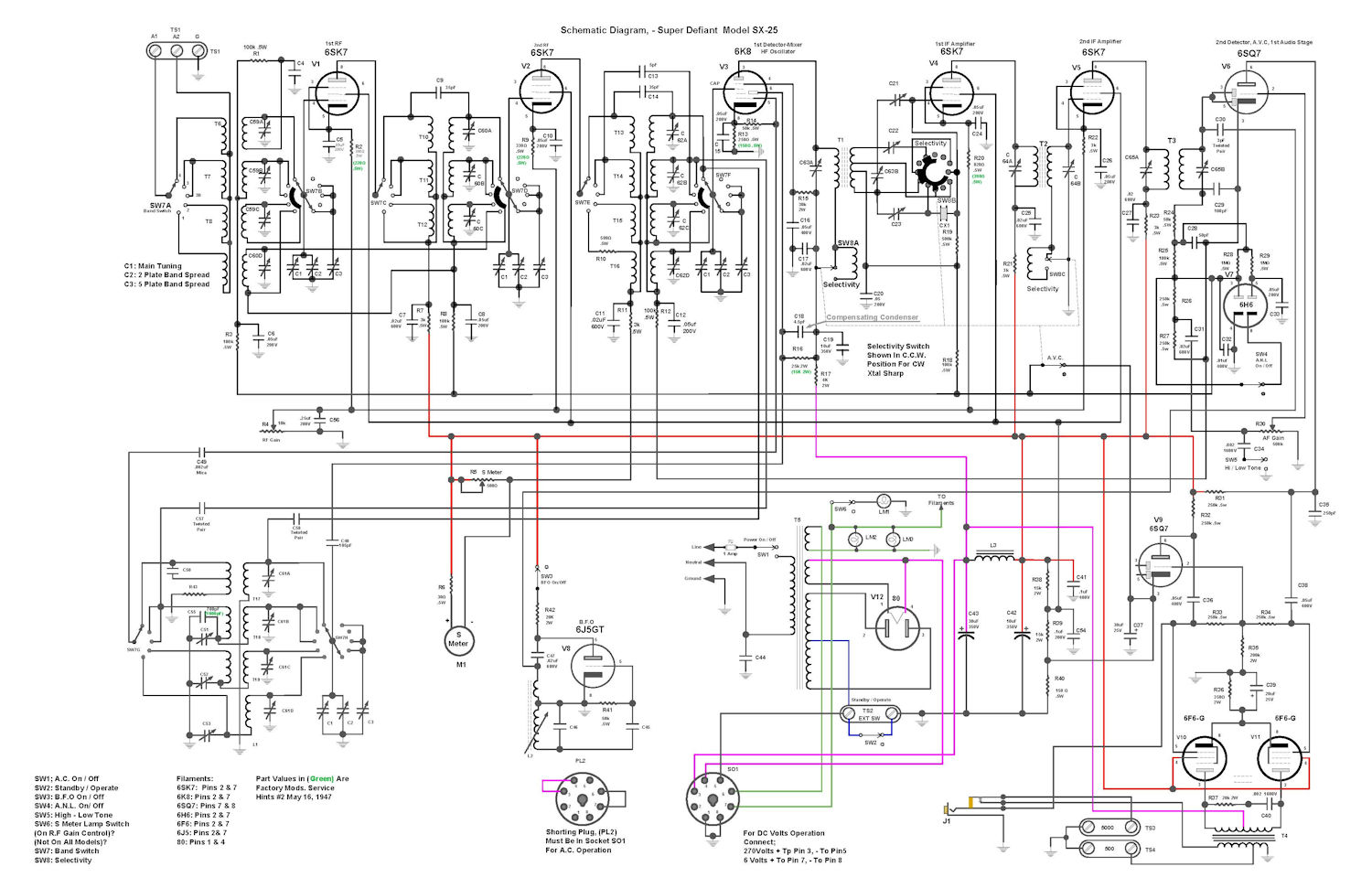
I manually re-drew the schematic by importing a downloaded image into AutoCad as the template.
It will be available in a larger format once I've had a chance to fully proof it.

Hallicrafters SX-25 Schematic
A higher resolution of the PDF is here.


The bottom cover on my aquisition is rather home made but probably functional.
I took the time to lay it out in Autocad. It all looks very close, but some caution may need
be to be taken as some radios may differ. The hatched area is for ventalation, as the original cover
had ventalating louvers. I'm using perforated aluminum, but one could acomplish this is may ways.
This fits nicely on a Ansi B print.

I'd recommend plotting this and checking the alingment.


A higher resolution of the PDF is here.


Cambridge Communications and Technical Services Inc.
98 Sunny Acres Road
Jeffersonville, Vermont 05464

©CCTS 2001 -